- Producent: Metallkraft (Stuermer)
- Nr Domitech: 42540
- Nr producenta: 4460005
- EAN: 4036351307129

4 300,00 zł
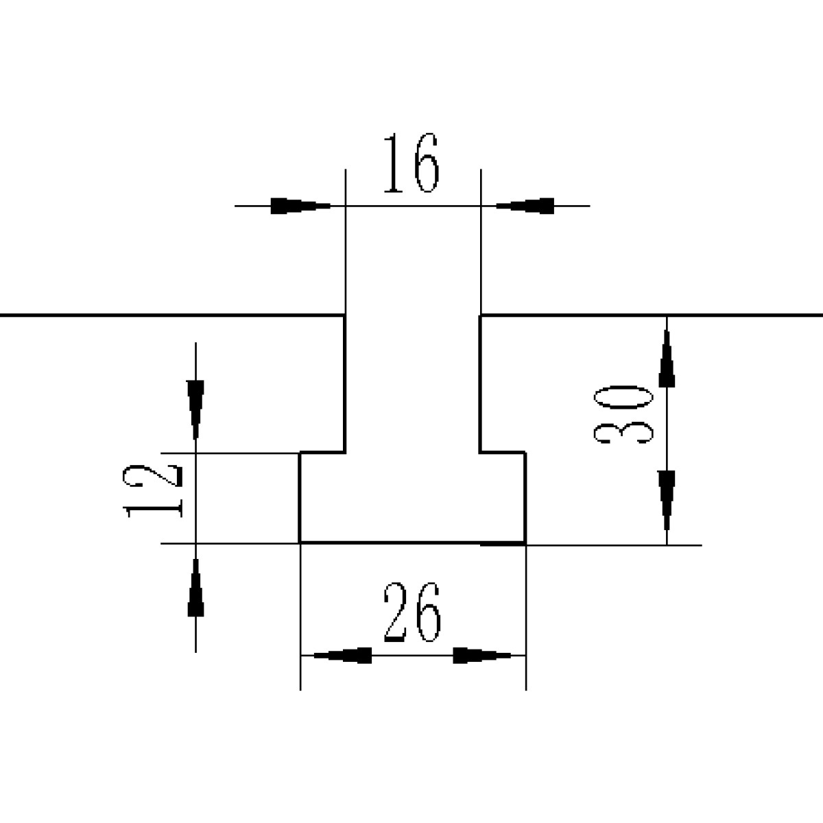
Stół mocujący do maszyn gwintujących Metallkraft 4460005 to solidna i wytrzymała konstrukcja, idealna do zastosowań w przemyśle związanym z obróbką metalu. Produkt charakteryzuje się stabilnym podwoziem, wyposażonym w cztery kółka skrętne, co ułatwia jego przemieszczanie. Stół posiada rowki teowe o szerokości 16 mm, które umożliwiają pewne mocowanie urządzeń. Jest to niezastąpiony element wyposażenia warsztatów zajmujących się pracami gwintującymi, który zapewnia bezpieczne i stabilne mocowanie maszyn.
Cechy szczególne Metallkraft 4460005
- Stół mocujący z rowkami teowymi o szerokości 16 mm
- Solidne podwozie z czterema kółkami skrętnymi
- Przystosowany do maszyn gwintujących
Dane techniczne Metallkraft 4460005
- Długość: 900 mm
- Szerokość/głębokość: 600 mm
- Wysokość: 875 mm
- Nośność: 500 kg
- Waga netto: 90 kg
Parametry techniczne
WPISZ LABEL DLA PRODUCENTA JEŻELI MA SIĘ WYŚWIETLAĆ:
WPISZ LABEL DLA KOD PRODUKTU JEŻELI MA SIĘ WYŚWIETLAĆ:
4460005
Napisz swoją opinię
Zapytaj o produkt
- Pełna nazwa: Stürmer Maschinen
- Ulica: Dr.-Robert-Pfleger-Str.
- Numer budynku: 26
- Kod pocztowy: D-96103
- Miasto: Hallstadt
- Kraj: Niemcy
- E-mail: info@stuermer-maschinen.de
- Telefon: +49 (0) 951 96 555 - 55








